立即下载

上隐藏合页配件简介

采用锌合金与 SUS304 不锈钢材质,通过 SST500H 盐雾测试,符合 ISO9227 标准。

高度调节 ±3mm、水平调节 ±1.5mm,支持摩擦力调节,安装定位精准。

承重 50KG,启闭 25000 次符合 EN1911 标准,提供 10 年质保。

外开定位系统上隐藏合页应用场景

外开定位 - 上隐藏合页

技术参数

  • 1.产品名称:30104/30105隐藏合页
  • 2.产品材料:锌合金/SUS304不锈钢
  • 3.SST500H,符合ISO9227标准
  • 4.高承重,高寿命,三维调节,摩擦力调节

外开定位系统上隐藏合页优点

  • 1.高度调节+-3mm
  • 2.水平调节+-1.5mm
  • 3.承重50KG,启闭25000万次符合EN1911标准

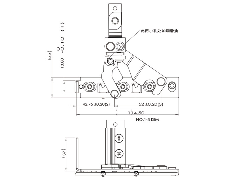
隐藏合页外开定位安装说明

1

隐藏合页安装说明步骤1

隐藏合页安装说明步骤1

一.锌合金扣位固定在窗框上

1:斜角度将锌合金带槽一侧安装在长窗框C槽里侧

2:锌合金一侧需抵到窗框C槽地面(图示红色部位)

3:在图示3个红色箭头打入M5自攻螺丝

二.将窗扇固定合页安装在窗扇上

1:如图示,把铝合页固定组件滑入窗框C槽中

2:滑入窗扇前,窗扇需要破槽口

3:如图示,窗扇框支撑杆贴紧窗扇,然后旋转旋片固定。

2

隐藏合页安装说明步骤2

隐藏合页安装说明步骤2

三.将铝合页固定在窗扇上

1.如图示,旋转螺栓固定铝合页

四·窗扇合页安装完成,将整体安装好合页的窗扇装上窗框

1:红色正方形卡位,底座和窗框上的锌合金卡在一起

2:然后在4个红色孔内打入螺钉固定

3

隐藏合页安装说明步骤3

隐藏合页安装说明步骤3

五、气密性调节和上下高度调节

1:使用4.0六角扳手调节偏心铆钉,可+-1.5mm调节窗框与窗扇的气密性。

2:当窗扇需要上下调节时,利用4号内六角扳手上下调节